24小時服務熱線
You Kai Ji Dian
Hot recommendation
139786928311397869283213978663730
地址:南寧市秀靈路81號東博五金機電城A8棟1-3號
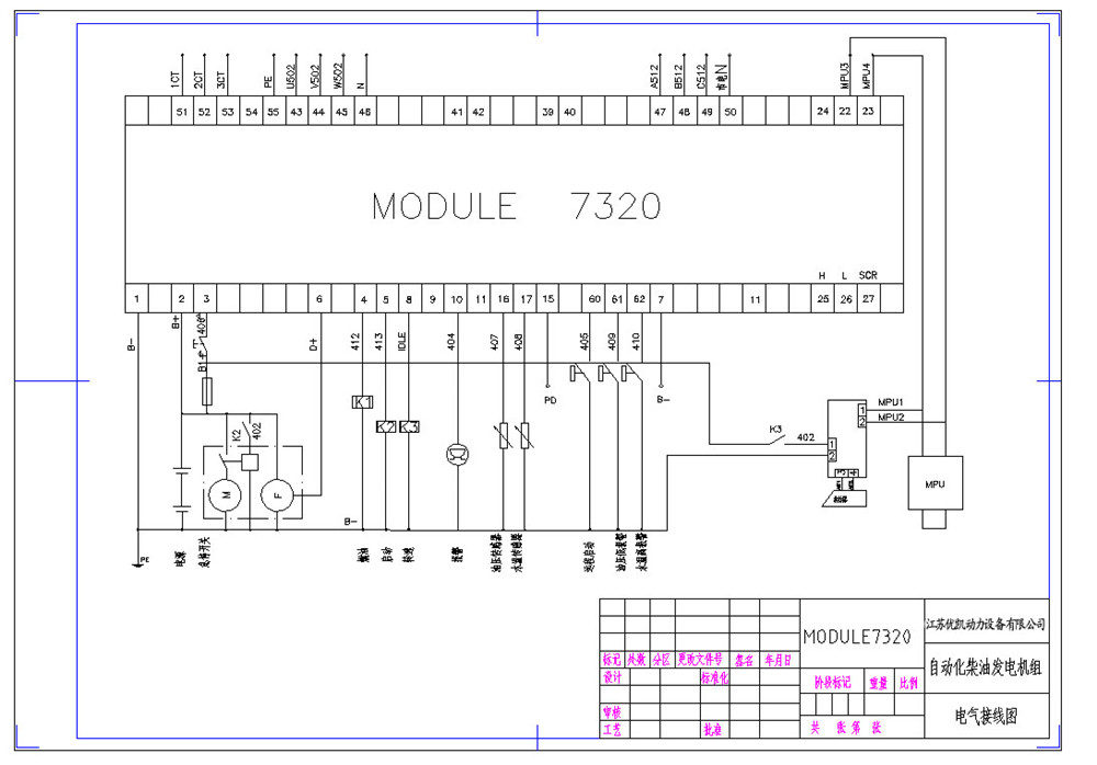
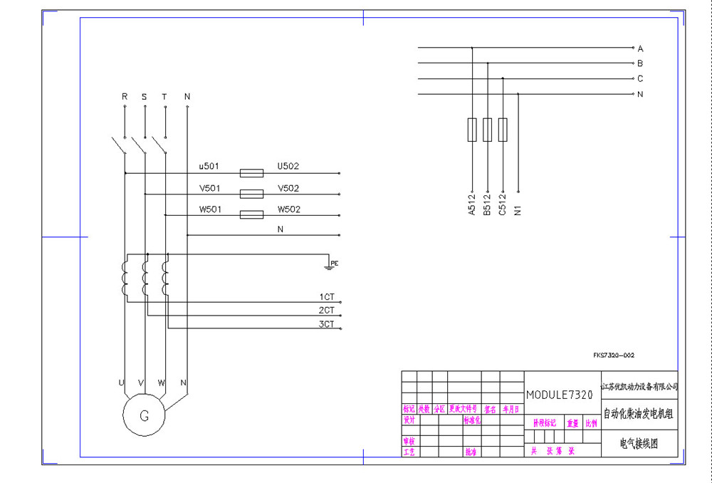
控制模塊:英國深海DSE7320型 DSE7320 AMF模塊,用于單臺發電機組。模塊具備一系列功能可以滿足嚴苛的現場應用。用于電調或非電調的柴油發動機和天燃氣發動機的啟動和停機控制。模塊還可以監測市電。 控制模塊包括USB、RS232和RS485接口以及專用DSENet?擴展設備連接端口。控制器操作簡單,界面清晰。改進的功能包含了實時鐘,以提高事件和性能監測,以太網的通訊方式可降低監控成本,預保養功能可在發動機發生大的故障之前檢測到零件的缺陷。 采用中文/英文智能化液晶顯示控制模塊,當市電停電時,經延時確認(0-30S可調),機組自啟動(1-8次可調,初次啟動成功率>99%),自動確認發電機組供電正常后,向負載供電,市電恢復正常后,經延時確認(0-30S可調),自動冷卻停機(冷卻停機時間0-300S可調)。模塊中內含功能強大的微處理器,可實現一系列復雜功能: ●用戶可對液晶屏進行中文或英文顯示界面切換; ●控制器能實現對機組的運行狀態和故障情況進行監控、預警和停機等; ●用戶完全可根據機組需要在面板上對控制器進行各種參數設置(例如:電流互感器、飛輪齒數、怠速時間等等); ●用戶可通過RS232或USB專用通訊接口和PC機連接進行實現"遙控"、"遙測"、"遙報"等三遙監控功能對各種控制工作模式配置、參數設置及監控; ●可完全設置的6個輔助輸入(用戶可自編程定義)和6個輔助輸出端,可用于啟動、警報或停機等其它功能; ●用戶可根據需要使用擴展模塊提供多種擴展輸入輸出功能; ●自啟動和停止發電機組(控制器為“自動”模式),當市電電壓斷電時(安裝市電斷電繼電器,任選一個輔助輸入作市電的有無狀態監測),機組將進行自啟動,然后向負載供電,如果市電回來時,機組將停機,市電向負載供電。
江蘇優凱阿里巴巴 | 江蘇優凱動力設備網 | 南寧優凱阿里巴巴旺 | 南寧優凱機電網站 | 江蘇優凱動力英文網 |